Serving OEMs
Worldwide
 since 1978

Iris Connectors

Alpha Products, Inc., Alpha Center, 351 Irving Drive, Oxnard, CA 93030, USA
Tel: 805-981-8666 / Fax 805-988-6555 /
Contact Us

RF Products

Assemblies

Switches

Potentiometers

Request for Quote

>

Request for Quote

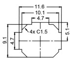
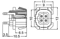
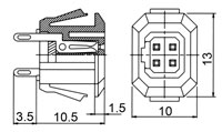
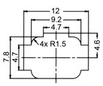
IRIS CONNECTORS, 4 POS., RATING 0.5A @ 30V DC

Female, panel mount

Part number

Terminals

3IC/156NS

3IC/156NP

Part number

Terminals

3IC/158NS

3IC/158NP

This site is protected under Trade Mark & Copyright Laws / Disclaimers / Terms & Conditions.

Disclaimer: Alpha Products, Inc. makes no warranties, expressed or implied, including warranties of merchant ability or fitness /suitability for a particular purpose or application. Under no circumstances shall Alpha Products, Inc. be liable for incidental, consequential, or other damages from alleged negligence, breach of warranty, strict liability, tort, contract, or any other theory, arising out of the use, non use, or handling of these products. Unauthorized duplication / downloading forbidden by US. Laws - Alpha Products Inc. reserves the right to discontinue, modify, amend and / or change any product, specification or service at any time without any obligation of providing any notice.